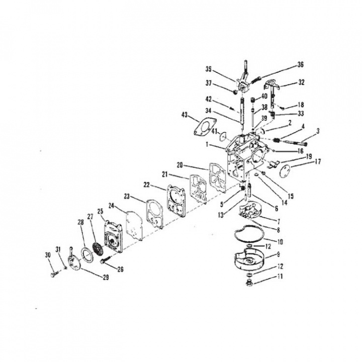
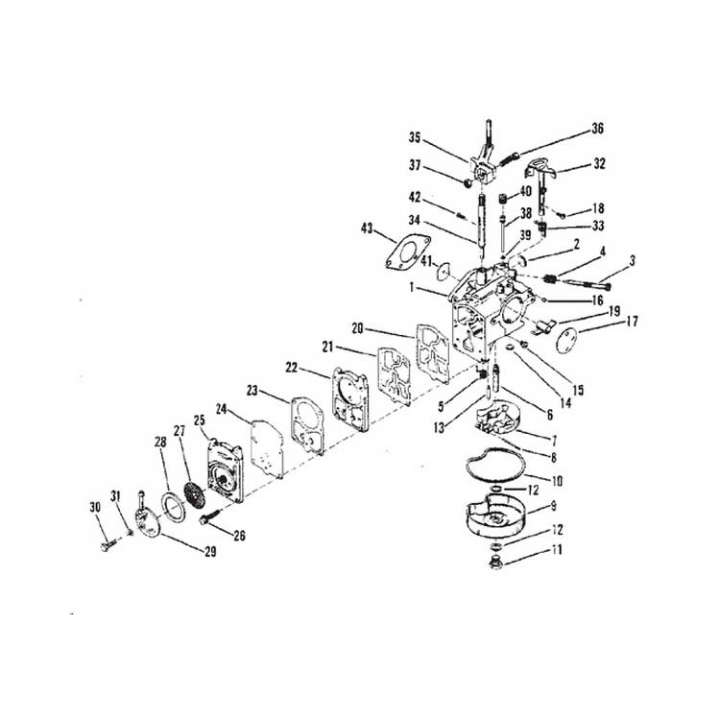
Packningssats (5135)
Artnr:
5135
169 kr
- Produktbeskrivning
-
Packningssats (5135) till Mercury 7.5 och 9.8 hk. Titta i din epc för att säkerställa att delen passar just din motor. - Egenskaper
-
- Leveransinformation
-
Lagersaldo: -1Frakt: Frakt 0-3kg



