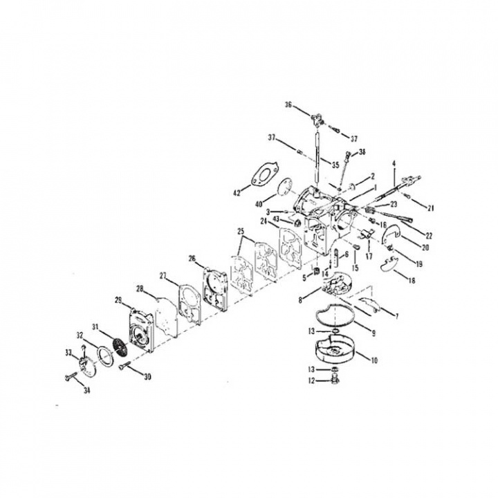
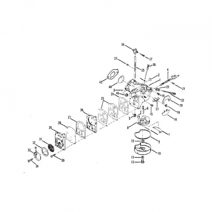
Packningssats (5137)
Artnr:
5137
149 kr
- Produktbeskrivning
-
Packningssats (5137) till Mercury 7.5/9.8/20/40/50 hk. Titta i din epc för att säkerställa att delen passar just din motor. - Egenskaper
-
- Leveransinformation
-
Lagersaldo: 0Frakt: Frakt 0-3kg


