Impeller Mercruiser Diesel V6/L6/V8 (816814T)
Artnr:
816814T
1299 kr
- Produktbeskrivning
-
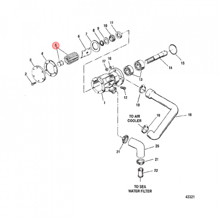
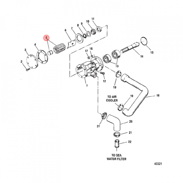
Impeller (816814T) till Mercruiser Diesel motorer. Titta i din epc för att säkerställa att delen passar just din motor.
Passar följande:
Mercruiser Diesel 3L V6 VW
Mercruiser Diesel 3.6L L6 VM
Mercruiser Diesel 4.2L L6 VM
Mercruiser Diesel 4.2L V8 VW
Mercruiser Diesel 6.7L L6 FPT
Tidigare art: 8M0112282 - Egenskaper
-
- Leveransinformation
-
Lagersaldo: -1Frakt: Frakt 0-3kg


