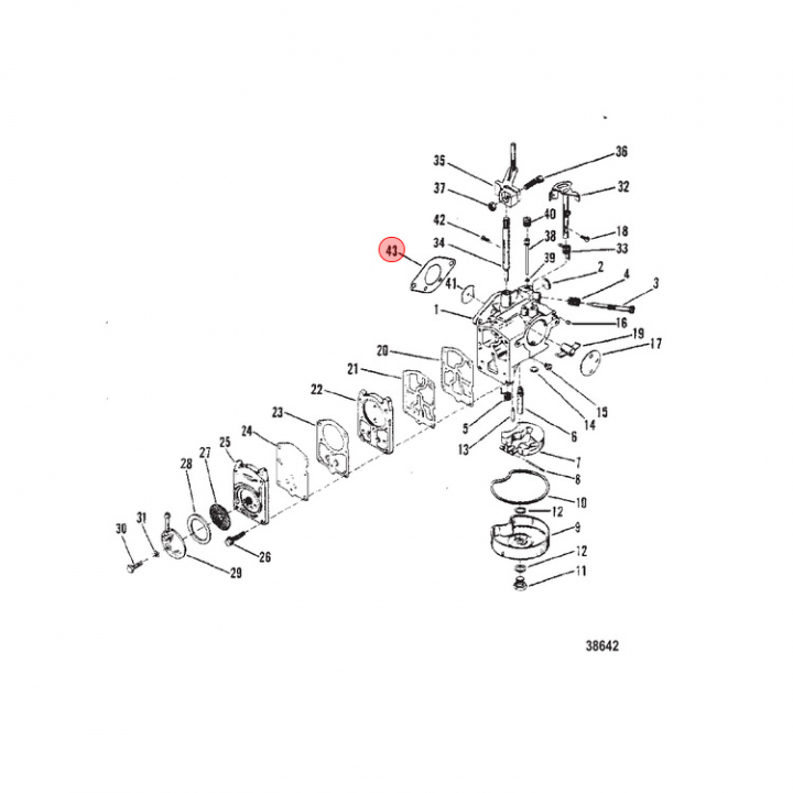
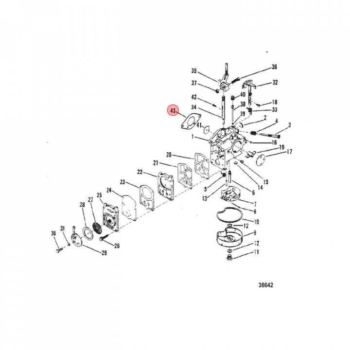
Förgasarpackning Mercury 4-9.8 hk (63309)
Artnr:
63309
29 kr
- Produktbeskrivning
-
Packning (63309) till förgasaren på äldre Mercury 4-9.8 hk utombordare. Titta i din epc för att säkerställa att delen passar just din motor. - Egenskaper
-
- Leveransinformation
-
Lagersaldo: 2Frakt: Frakt 0-3kg


