Reparationssats Förgasare Mercury/Mariner 25-30 hk (853780A1)
Artnr:
853780A1
1869 kr
- Produktbeskrivning
-
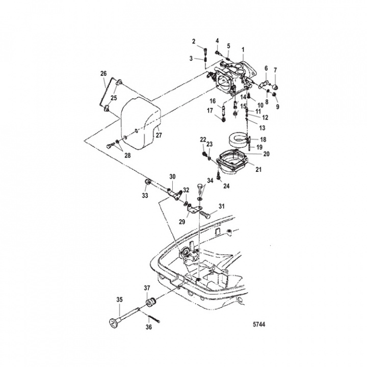
Reparationssats Förgasare Mercury/Mariner 25-30 hk (853780A1). Titta i din epc för att säkerställa att delen passar just din motor.
Passar 2 cylindriga 2-taktare 25 till 30 hk (se extrabild). - Egenskaper
-
- Leveransinformation
-
Lagersaldo: -1Frakt: Frakt 0-3kg



