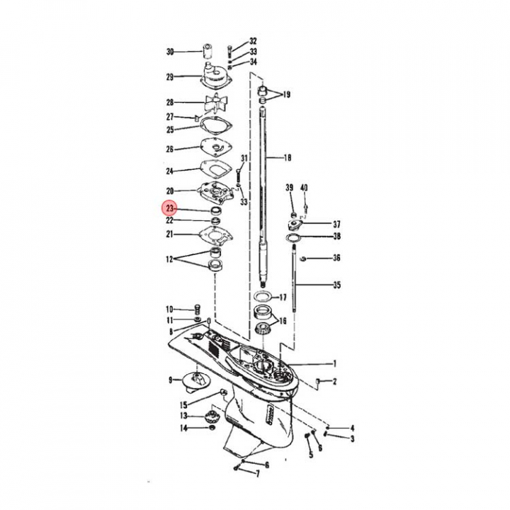
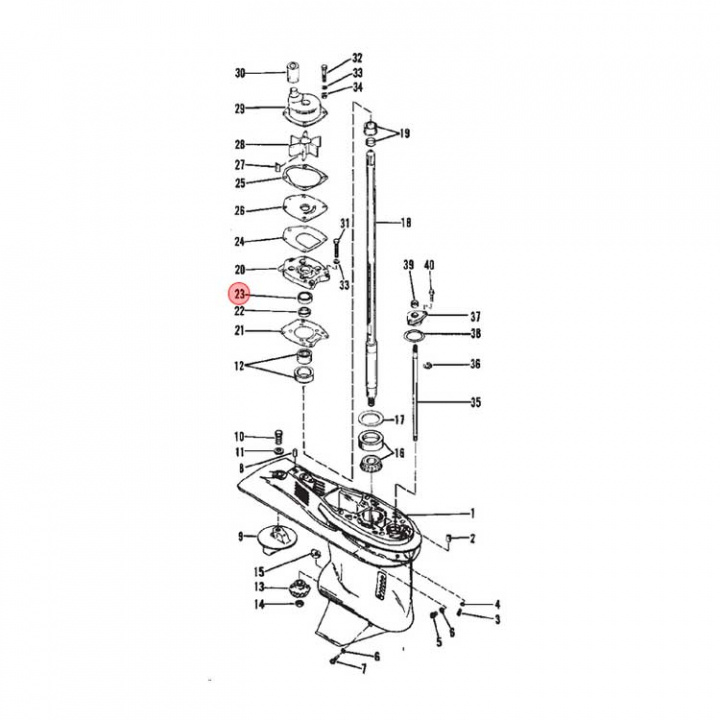
Packbox (43035)
Artnr:
43035
245 kr
- Produktbeskrivning
-
Packbox (43035) övre till impellerhuset till Mercury/Mariner 30-125 hk. Titta i din epc för att säkerställa att delen passar just din motor. - Egenskaper
-
- Leveransinformation
-
Lagersaldo: 0Frakt: Frakt 0-3kg


