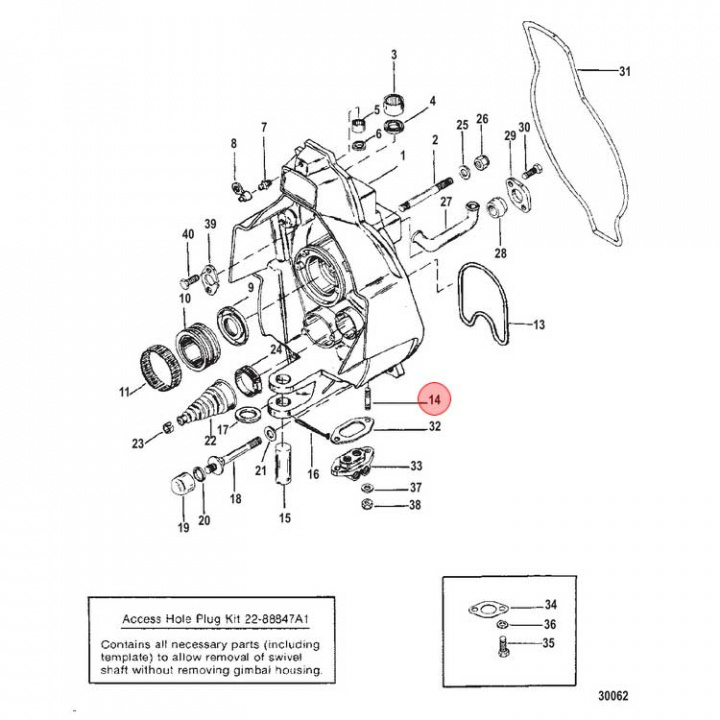
Pinnbult Mercury/Mercruiser (56766)
Artnr:
56766
35 kr
- Produktbeskrivning
-
Pinnbult (56766) till Mercruiser inombordare samt Mercury 45 hk utombordare. Titta i din epc för att säkerställa att delen passar just din motor.
Passar:
• Alpha One Gen II 1991-1995, 1996-1997 & 1998-nyare
• R/MR/Alpha One 1983-1990
• Bravo One, Two & Three
• Bravo X One, Two & Three
• Tidigare art: 883085 - Egenskaper
-
- Leveransinformation
-
Lagersaldo: 0Frakt: Frakt 0-3kg



