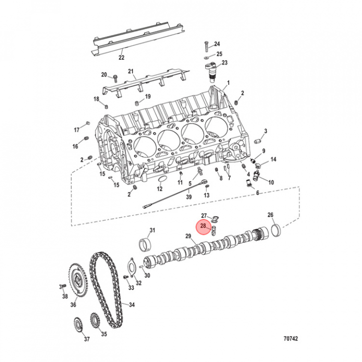
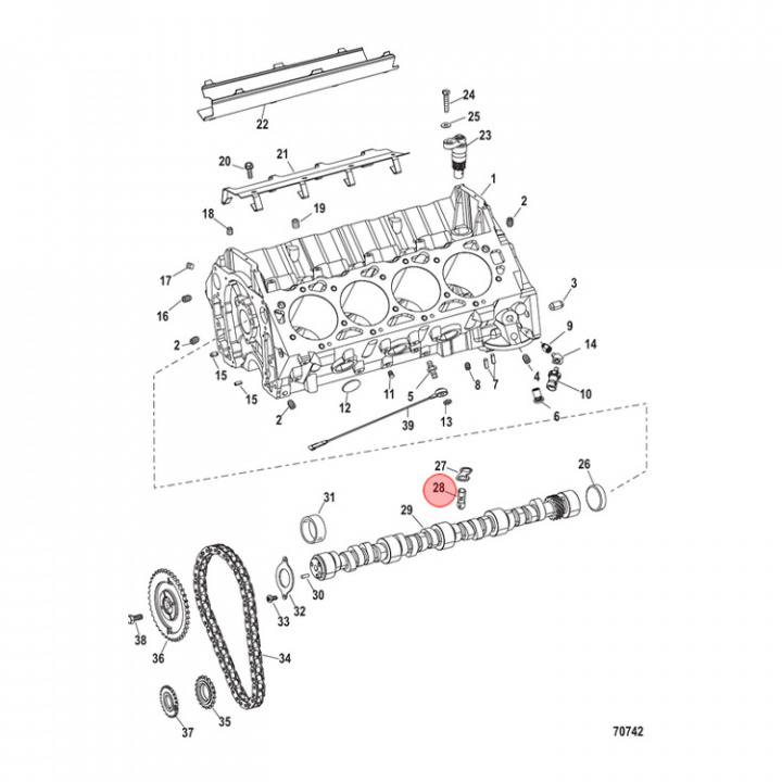
Lifter Mercruiser (849947T01)
Artnr:
849947T01
2229 kr
- Produktbeskrivning
-
Lifter (849947T01) till Mercruiser inombordare, bland annat Alpha/Bravo. Titta i din epc för att säkerställa att delen passar just din motor. - Egenskaper
-
- Leveransinformation
-
Lagersaldo: 0Frakt: Frakt 0-3kg


