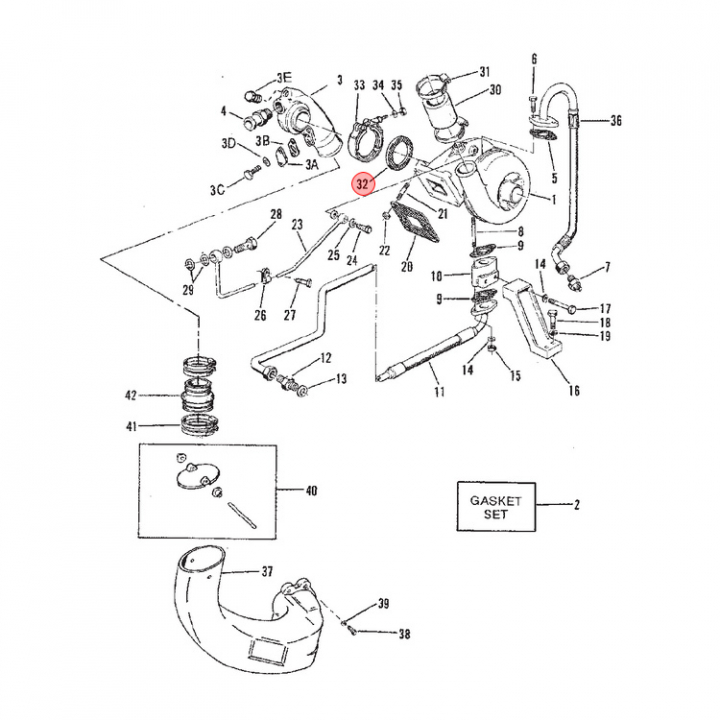
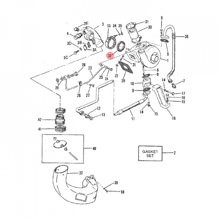
Packning Mercruiser (817089)
Artnr:
817089
59 kr
- Produktbeskrivning
-
Packning (817089) till turbon på Mercruiser motorer. Titta i din epc för att säkerställa att delen passar just din motor. - Egenskaper
-
- Leveransinformation
-
Lagersaldo: 0Frakt: Frakt 0-3kg


