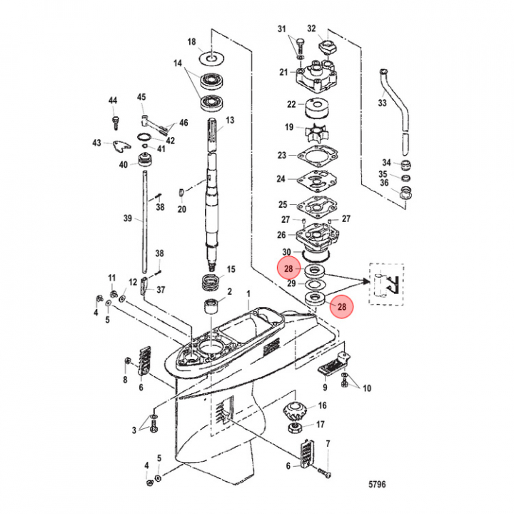
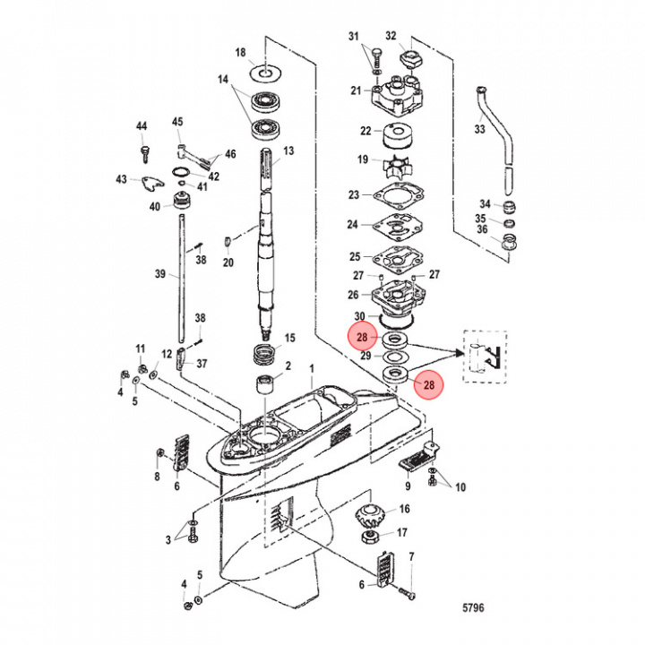
Packbox Mercury 40-50 hk (8537079)
Artnr:
8537079
79 kr
- Produktbeskrivning
-
Packbox Mercury 40-50 hk (8537079). Titta i din epc för att säkerställa att delen passar just din motor. - Egenskaper
-
- Leveransinformation
-
Lagersaldo: 0Frakt: Frakt 0-3kg


