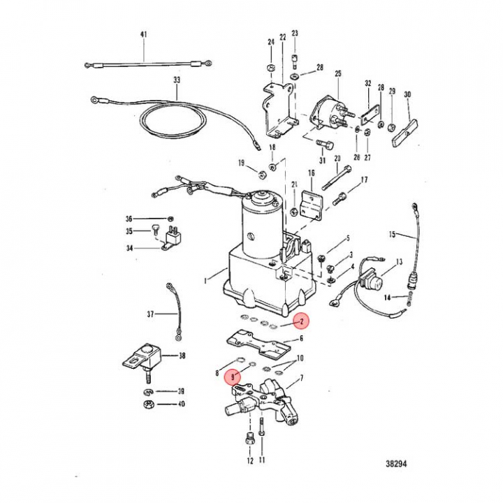
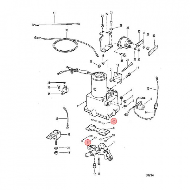
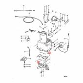
O-Ring (48171)
Artnr:
48171
15 kr
- Produktbeskrivning
-
O-Ring (48171) till Mercury 4-300 hk. Titta i din epc för att säkerställa att delen passar just din motor.
Tidigare art: 801334436 - Egenskaper
-
- Leveransinformation
-
Lagersaldo: 0Frakt: Frakt 0-3kg


