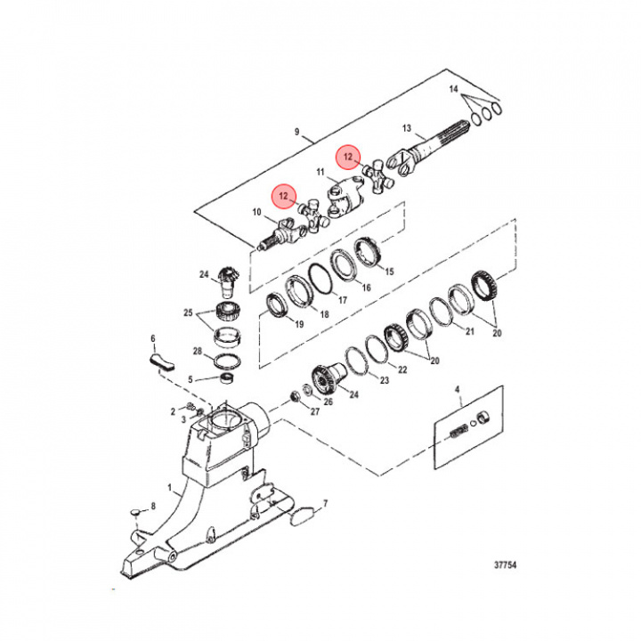
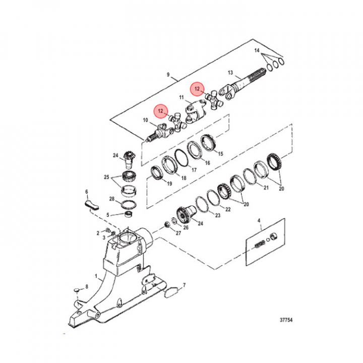
Knutkors Mercruiser Alpha One Gen II (805536A2)
Artnr:
805536A2
1379 kr
- Produktbeskrivning
-
Knutkors (805536A2) till Mercruiser Alpha One Gen II, titta i din epc för att säkerställa att delen passar just din motor. - Egenskaper
-
- Leveransinformation
-
Lagersaldo: 0Frakt: Frakt 0-3kg


