Anodsats Aluminium (55989Q9)
Artnr:
55989Q9
205 kr
- Produktbeskrivning
-
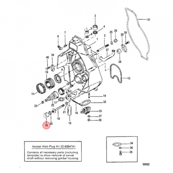
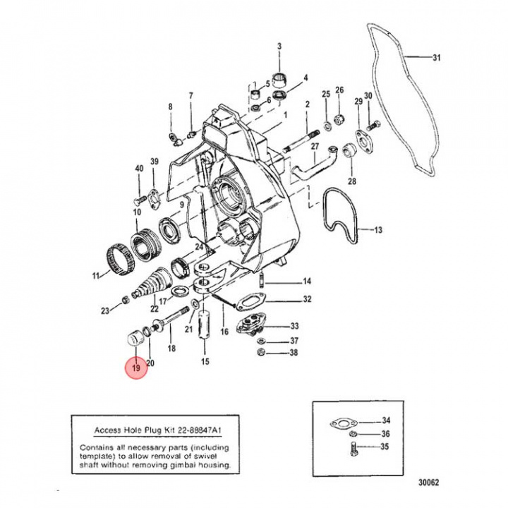
Anodsats Aluminium (55989Q9), gängad anod till skölden, om utrsustad med det. Till drev/sköld 1991-, passar MC-1, MR, Alpha och Bravo-drev, S/N 0D469828 och äldre.
Titta i din epc för att säkerställa att delen passar just din motor.
Tidigare art: 55989T9 - Egenskaper
-
- Leveransinformation
-
Lagersaldo: 0Frakt: Frakt 0-3kg


