Lämpar sig för toppmontering hos tvåmotoriga båtar, se relaterade artiklar för center- och topmonterade reglage i samma serie.
SeaStar Xtreme CHX8700 är en uppsättning välbyggda ergonomiska enhandsreglage för toppmontering till två motorer. Enhandsreglage har två funktioner i en spak som manövrerar både växel och varvtal.
Reglaget är designat för två motorer och har två stycken välutformade robusta handtag, neutrallägesströmbrytare, neutrallägesspärr och inställbar friktionsbroms. Trimfunktion finns som tillval.
Trim-modellen har tre knappar totalt, en master-knapp upp/ner på handtaget för att trimma båda motorer upp och ner. Sen har den två knappar på "huset" för att trimma varje motor individuellt.
Trim/tilt-modellen har ytterligare 2 knappar på "huset" för trailermode när du ska traila båten.
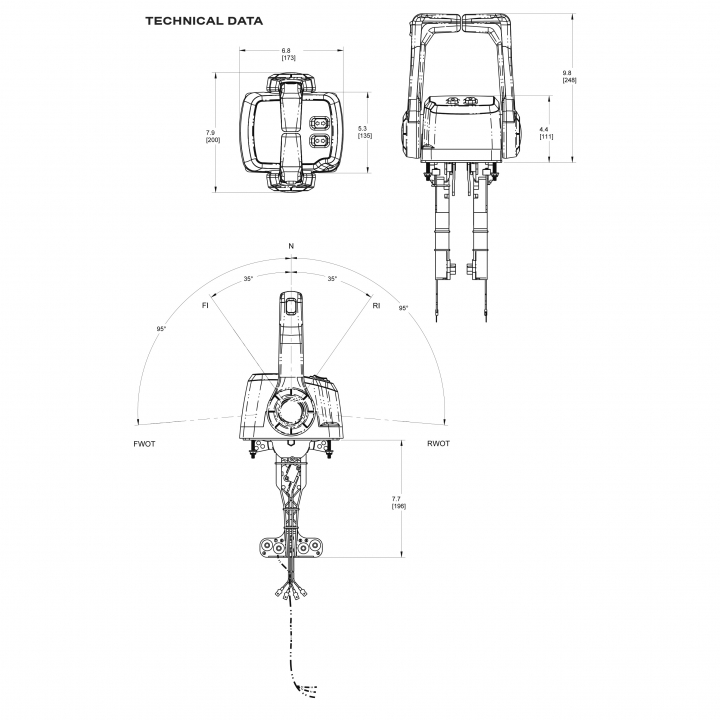
Datablad med mått
Manual
Xtreme-reglagen är kompatibla med standard 33C reglagekablar, Johnson/Evinrude & Mercury/Mariner. För Mercury gen2-kablar krävs monteringssats 212151-003.



