Ventilkåpspackning Mercruiser (879722)
Artnr:
879722
229 kr
- Produktbeskrivning
-
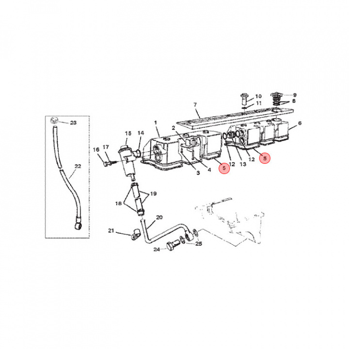
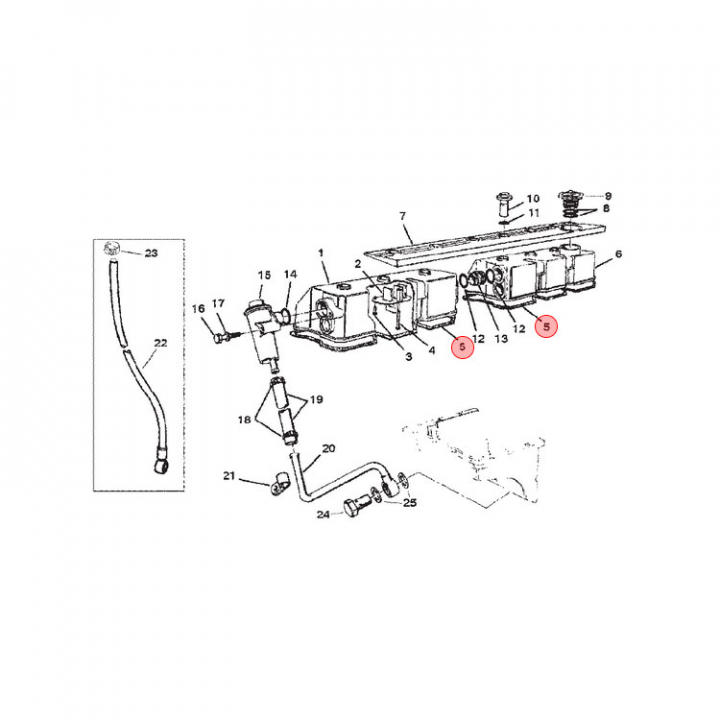
Ventilkåpspackning (879722) Mercruiser VM diesel L6 3.6L och 4.2L motorer. Titta i din epc för att säkerställa att delen passar just din motor.
Tidigare art: 801763243, 801763765 - Egenskaper
-
- Leveransinformation
-
Lagersaldo: 0Frakt: Frakt 0-3kg


