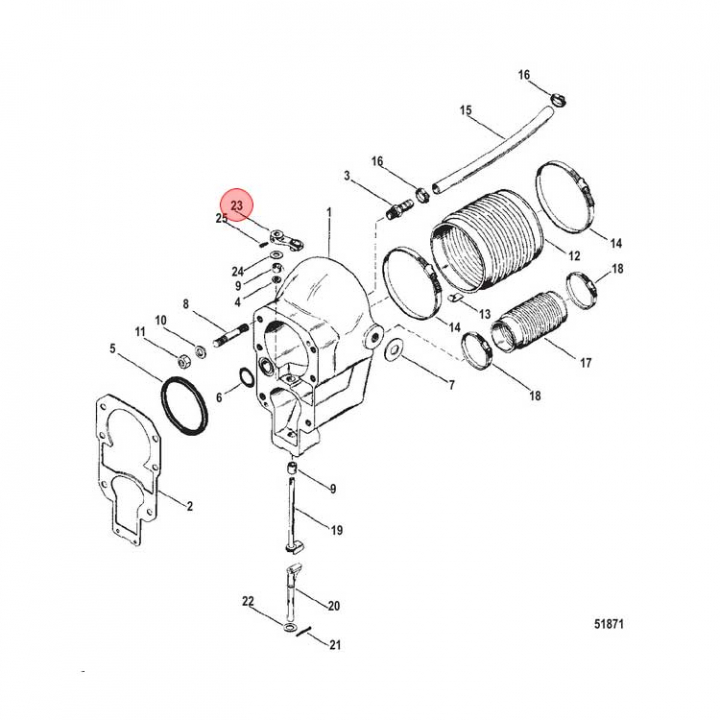
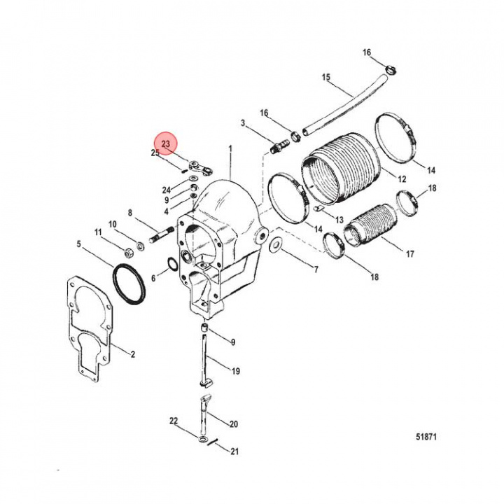
Växelarm (45518A3)
Artnr:
45518A3
529 kr
- Produktbeskrivning
-
Växelarm (45518A3) till Mercruiser Alpha One Gen I/II. Titta i din epc för att säkerställa att delen passar just din motor.
Tidigare art: 45518B3 - Egenskaper
-
- Leveransinformation
-
Lagersaldo: 0Frakt: Frakt 0-3kg


