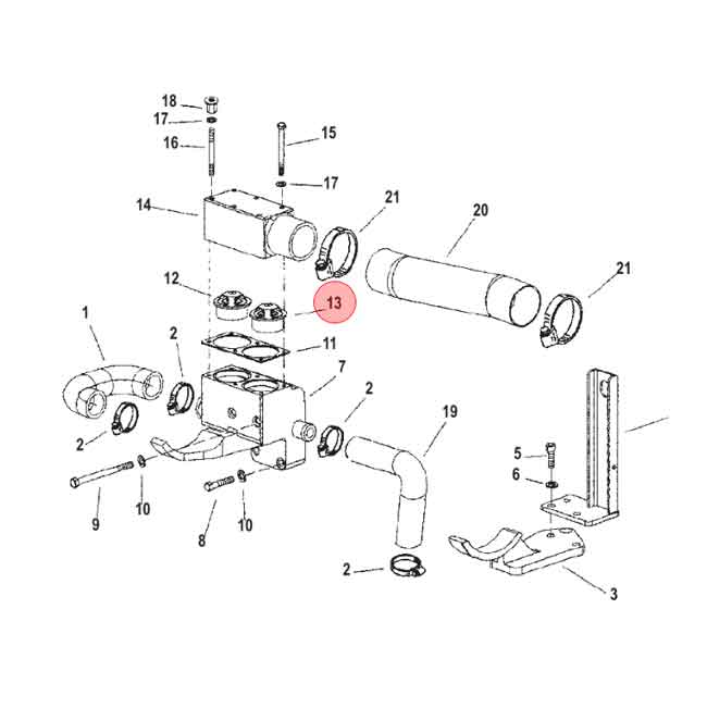
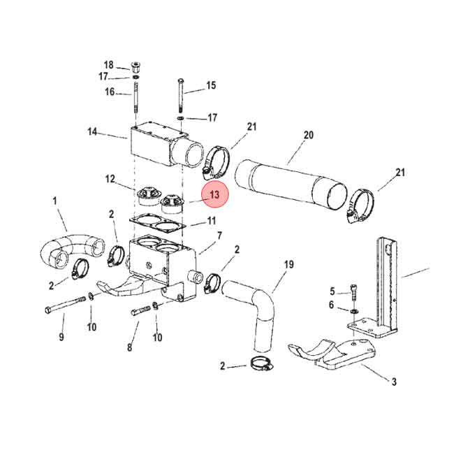
Termostat Mercruiser 180 (805948)
Artnr:
805948
345 kr
- Produktbeskrivning
-
Termostat (805948) för Mercruiser L4/L5/L6. Se alltid din epc för att säkerställa att det är rätt termostat för just din inombordsmotor. - Egenskaper
-
- Leveransinformation
-
Lagersaldo: 0Frakt: Frakt 0-3kg


