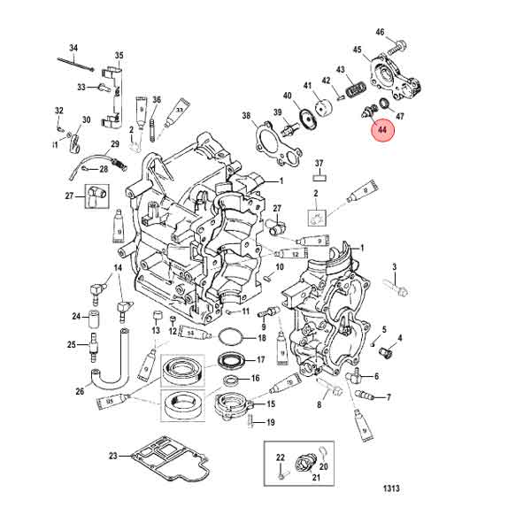
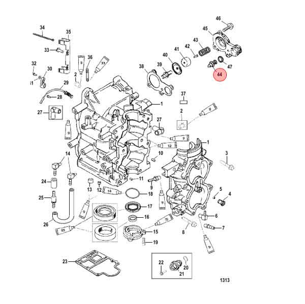
Termostat 130 30-40hk 2Cyl (895338)
Artnr:
895338
369 kr
- Produktbeskrivning
-
Mercury termostat som passar bland annat 30-40hk 2-Cylinder. Se alltid din epc för att säkerställa att det är rätt artikel för just din utombordsmotor.
Äldre artikelnummer: F97068-2 - Egenskaper
-
- Leveransinformation
-
Lagersaldo: -1Frakt: Frakt 0-3kg


