Omnicharge Solar solcellsregulatorer,
Programmerbara MPPT-batteriladdare för solpaneler. Kompatibla med alla vanliga batterityper och stöder system på 12V och 24V, modeller för 36 och 48V finns också. Med effektiv Maximum Power Point Tracking (MPPT) optimeras energin från panelerna för optimal laddning.
• Regulatorerna är kompatibla med paneler från 260Wp till 1 320Wp och batterispänningar mellan 12V och 24V.• Mycket låg energiförbrukning och en effektivitet på 98-99% möjliggör effektiv laddning även vid svagt ljus.
• Inbyggda skyddsfunktioner finns mot omvänd polaritet, kortslutning, överbelastning och höga temperaturer.
• Anpassningsbara laddningsprogram för olika batterityper som Litium, AGM, GEL och Flooded. Användare kan också skapa egna program.
• Varje enhet kan styras och övervakas via TBS Dashboard Mobile-appen för iOS och Android, med tillgång till historiska data för upp till 300 dagar.
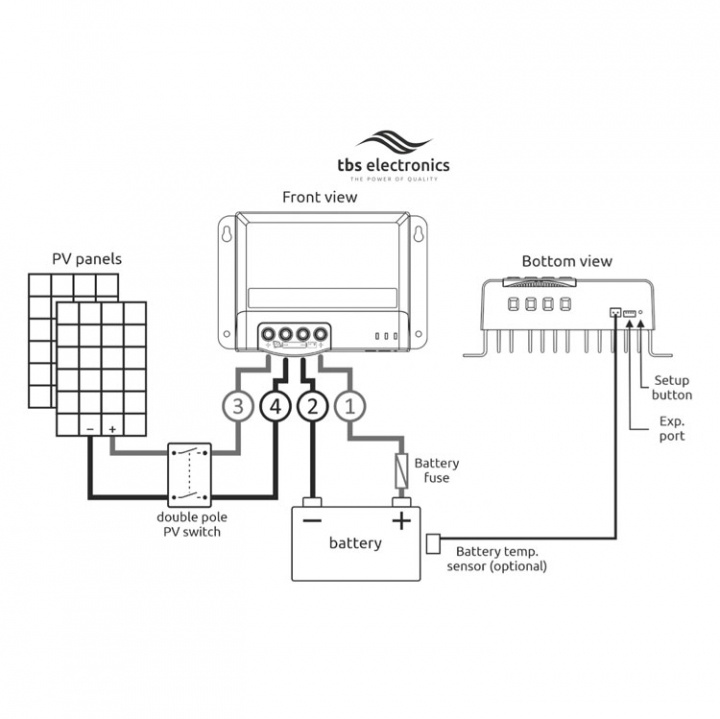
• Ingång för batteritemperatursensor. Se tillbehör.
• Enkelt installation och användande. De större modellerna OCS150-60 och 250-70 är utrustade med display och har även batteritemperatursensor som standard. Se relaterade produkter.
| Artno. | 5024200 | 5024300 | 5024500 | |
|---|---|---|---|---|
| Systemspänning | 12V / 24V | |||
| Max laddningström | 20A | 30A | 50A | |
| Egenkonsumtion | 0,12W | |||
| Spänningsområde för batteri | 9-32V | |||
| Max spänning solpanel | 100V | |||
| MPPT spänningsområde | Ingångsspänning + 2V upp till 75V | |||
| Max ingående effekt 12V 24V | 260W 520W | 400W 800W | 660W 1320W | |
| Laddningsegenskaper | IUoUo, intelligent temperaturkompenserad 3-stegsladdning | |||
| Kompatibla batterityper | Flooded / GEL / AGM / LiFePO4 / Custom (Användardefinierat) | |||
| Temperaturkompensering | -3mV / °C / Cell (Endast blybatterier) | |||
| Omvandlingseffektivitet | 98% | |||
| Max MPPT effektivitet | 99% | |||
| LED-indikatorer | Laddningsläge, batteristatus and batterityp | |||
| Display | Nej | |||
| Temperatursensor för batteri | Tillval | |||
| Alarmrelä | Nej | |||
| Konfigurering | Via app | |||
| Inbyggd skydd | Mot omvänd polaritet, kortslutning, överbelastning och höga temperaturer. | |||
| Arbetstemperatur | -35°C … +60°C (luftfuktighet 90% icke-kondenserande) | |||
| Förvaringstemperatur | -40°C … +80°C (luftfuktighet 95% icke kondenserande) | |||
| Anslutning | 10mm2 / 8 AWG | |||
| Mått | 150 x 106 x 62mm | 150 x 106 x 68mm | 183 x 127 x 70mm | |
| Vikt | 0,70kg | 0,88kg | 1,39kg | |
| IP-klassning | IP32 monterat upprätt | |||
| Typgodkännande | CE, EMC directive 2014/30/EU, Safety EN62109-1, Funktionalitet EN62509-1 och RoHS 2011/65/EU | |||




