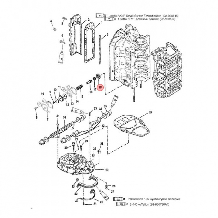
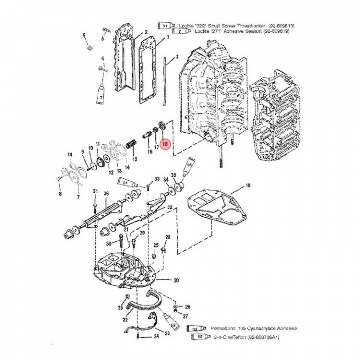
Tätning (65848)
Artnr:
65848
29 kr
- Produktbeskrivning
-
Tätning (65848) poppet valve till Mercury motorer. Titta i din epc för att säkerställa att delen passar just din motor.
Passar Mercury:
• 50/55/60/70/75/80/90 3-cyl 2-takt
• 100/115/125/ 4-cyl 2-takt
• 150/175 DFI PRO XS 2.5L
• V-135/150 DFI 2.5L
• V-150/175/200/225
• V-150/175/200 EFI 2.5L - Egenskaper
-
- Leveransinformation
-
Lagersaldo: 0Frakt: Frakt 0-3kg



