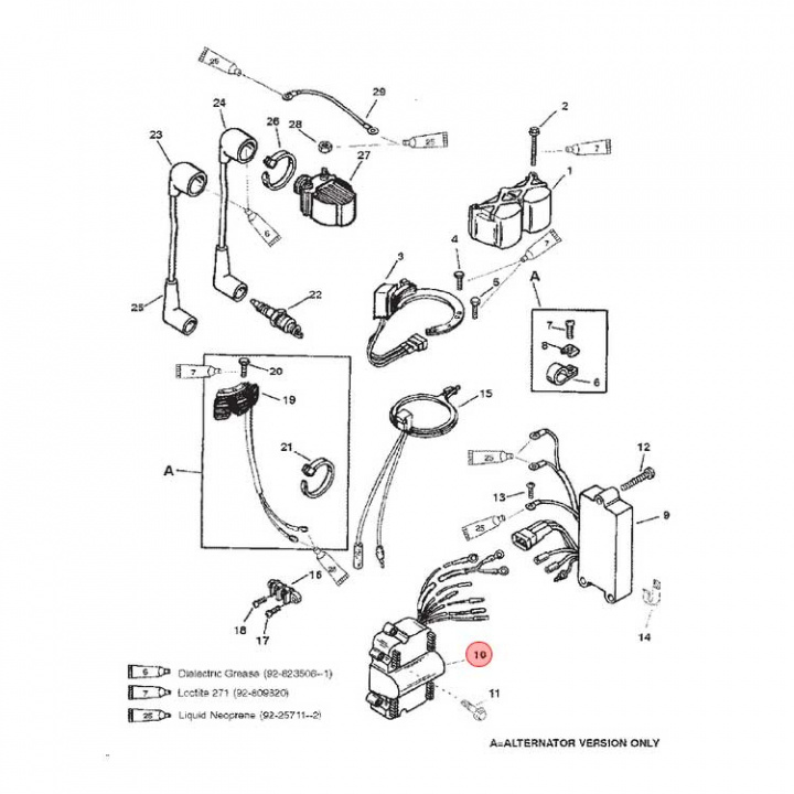
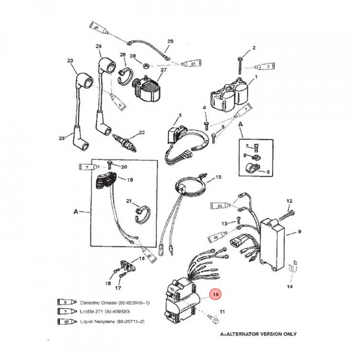
Switch Box (7452A19)
Artnr:
7452A19
3589 kr
- Produktbeskrivning
-
Switch Box (7452A19) till Mercury/Mariner 6-25 hk. Titta i din epc för att säkerställa att delen passar just din motor.
Tidigare art: 7452A9, 7452A15 - Egenskaper
-
- Leveransinformation
-
Lagersaldo: 0Frakt: Frakt 0-3kg


