Startrelä Mercury/Mercruiser (853654A1)
Artnr:
853654A1
589 kr
- Produktbeskrivning
-
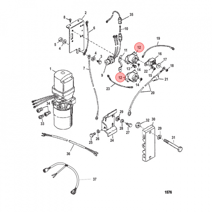
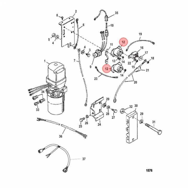
Startrelä (853654A1) till Mercury/Mercruiser motorer. Titta i din epc för att säkerställa att delen passar just din motor.
Tidigare art: 853654B1 - Egenskaper
-
- Leveransinformation
-
Lagersaldo: -1Frakt: Frakt 0-3kg


