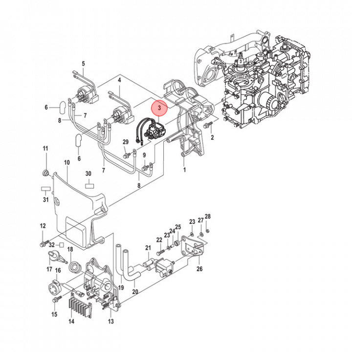
Startrelä Mercury 8-30 hk (853809001)
Artnr:
853809001
675 kr
- Produktbeskrivning
-
Startrelä (853809001) till Mercury 8-30 hk 2/4-takt utombordare. Titta i din epc för att säkerställa att delen passar just din motor. - Egenskaper
-
- Leveransinformation
-
Lagersaldo: -1Frakt: Frakt 0-3kg


