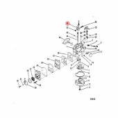
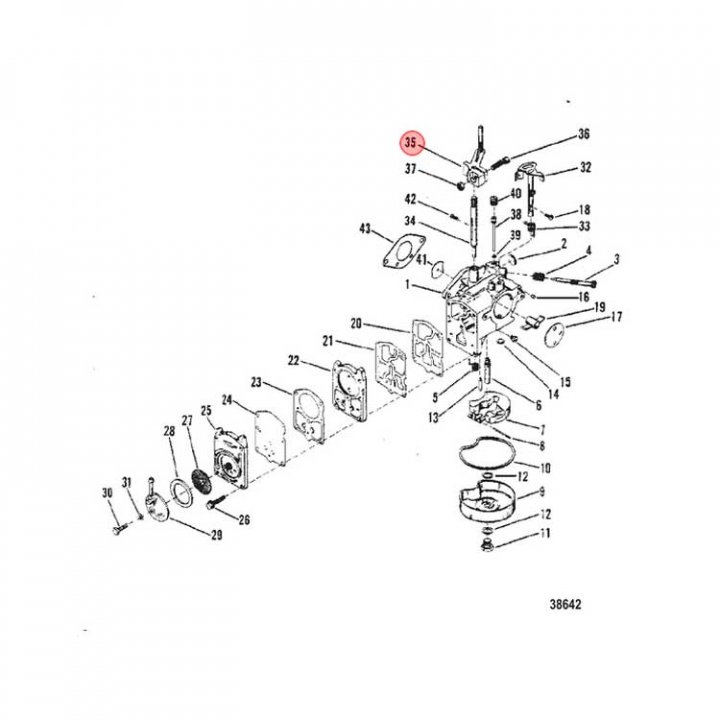
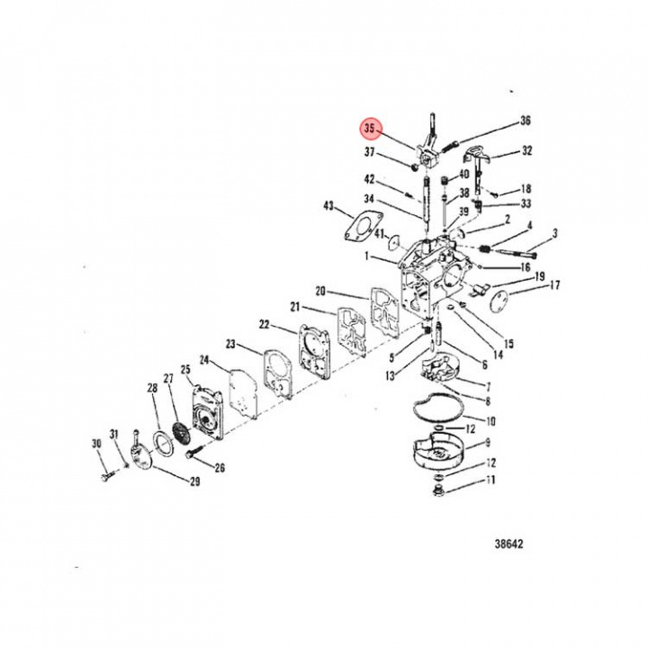
Spak (44425)
Artnr:
44425
289 kr
- Produktbeskrivning
-
Spak (44425) till förgasare på Mercury 7.5/9.8 hk, titta i din epc för att säkerställa att delen är rätt till just din motor.
Tidigare art: 86213 - Egenskaper
-
- Leveransinformation
-
Lagersaldo: -1Frakt: Frakt 0-3kg



