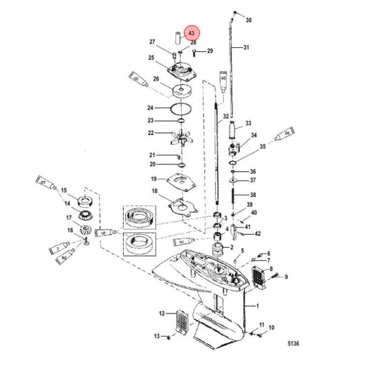
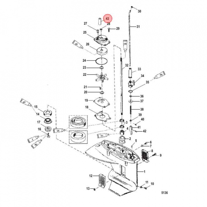
Sleeve (29804T)
Tänk på att denna artikeln beställs i omgångar så det kan ta längre tid än våra max 8 dagar att få hem den.
Artnr:
29804T
79 kr
- Produktbeskrivning
-
Sleeve för impellerhus, reservdelsnummer 29804T. Se alltid din epc för att säkerställa att det är rätt del för din motor.
Tidigare artikelnummer: 52928 29804 - Egenskaper
-
- Leveransinformation
-
Lagersaldo: 2Frakt: Frakt 0-3kg


