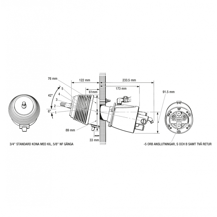
Seastar Sport Tilt Helm ställbara rattpumpar gör att man kan anpassa rattvinkeln för att få så bra körställning som möjligt. De har inbyggd säkerhetsventil på 70bar/1000psi och är utrustade med integrerade backventiler som förhindrar att de kan påverkas av motorn, funktionen kallas för No Feedback. Från och med 2015 levereras de med nya -5 ORB anslutningsnipplar som gör det möjligt att rotera anslutningen för att få rätt vinkel på slangen.
Pumparna rekommenderas endast till SeaStar hydraulcylindrar (se tillbehör). Det som skiljer pumparna nedan åt är deras kapacitet. Kapaciteten påverkar hur många varv man behöver vrida ratten för att få fullt roderutslag (se produktbeskrivning).
Det finns även i PRO-version utvecklad för höghastighetsbåtar med utombordare (+47 knop) och skall då kombineras med PRO eller Tournament cylindrar. Pumparna är designade för att klara ett högre system tryck på 103bar/1500psi. Vid hög belastning så låser sig styrningen istället för att öppna övertrycksventilen. Risken för oönskade snabba kursförändringar minskar därmed avsevärt.
Det går koppla flera pumpar parallellt vid behov av fler styrplatser, en returledning ansluts då mellan pumparna. Två returuttag finns i varje pump.
Seastar pumpar med kapacitet upp 27,8 cm³ kan använda nylonrör HT5100, övriga samt system för utombordare skall alltid använda slang med pressade kopplingar. Till PRO pumpar skall alltid kevlar slang användas.
Använd alltid Seastar olja 009486, felaktig olja kan göra att systemet inte uppför sig normalt.
| Artikel nr | Modell | Kapacitet per rattvarv |
| HH6191-3 | Seastar Sport tilt 1,7 | 27,8 cm³ |
| HH6145-3 | Seastar Sport tilt 2,0 | 33,0 cm³ |
| HH6192-3 | Seastar Sport tilt 2,4 | 39,3 cm³ |
| HH6189-3 | Seastar Pro Sport Tilt 1,7 | 27,8 cm³ |
| HH6190-3 | Seastar Pro Sport Tilt 2,0 | 33,0 cm³ |
90° anslutningar -5 ORB med 9/16-24 gänga för slanganslutning.





