Seastar PRO frontmonterad hydraulcylinder för utombordare upp till 350Hk för båtar med hög fart, + 47 knop.
Ny version (-3) med -5 ORB gänga som är o-ring tätade och möjligt att rotera nippeln för att få rätt vinkel.
Äldre versioner av cylindern har 1/4" NPT gänga.
Seastar är världsledande på hydraulstyrningar och kända för sin höga kvalitet. HC6345-3 cylindern är inget undantag, en robust förstärkt konstruktion som ger en säker och trygg styrning även i höga farter. Den är designad för att klara ett högre tryck än standard cylindern HC5345-3.
Maxeffekt,
En motor en cylinder: 350Hk
Vid installationer med två eller tre utombordare rekommenderas Seastar Tournament cylinder HC6845.
SeaStar PRO hydraulcylindrar skall alltid användas tillsammans med SeaStar PRO rattpump. PRO rattpumparna finns med olika kapacitet vilket påverkar antal rattvarv och tröghet. Rekommenderad rattpump är HH5770-3 (33,0 cm³/rattvarv) som ger 4,1 rattvarv, de finns även i flera versioner för infällning eller med tilt funktion för att ställa rattvinkel.
Hydraulslang som är kevlararmerad och klarar ett tryck på 1500 PSI och som har pressade kopplingar skall alltid användas, de finns i flera versioner, se tillbehör.
Använd alltid Seastar olja 009486, felaktig olja kan göra att systemet inte uppför sig normalt.
• Kompletta system med rattpump och olja finns, HK7045PRO-3.
• Cylindervolym 135.2 cm³
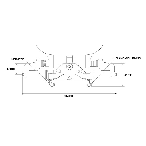
• Se bilder för minimimått.
Kompatibilitetslista:
Listan presenterar de vanligaste förekommande utombordsmotorerna på marknaden. En del installationer kan kräva en extra monteringssats, HA5477 jordkabel rekommenderas för att undvika galvanisk korrosion.
| Fabrikat | År | Modell | Cylinder | Anm. |
| Honda | 2001– | BF150-250Hk | HC6345-3 | 1 |
| Johnson/ Evinrude | 2002– | 150-250Hk 4-t | HC6345-3 | |
| 2003– | 150-300Hk ETech | HC6345-3 | ||
| 2005– | E250Hk Vindicator | – | ||
| Mercury | 1989– | 150-300Hk 2/4-t | HC6345-3 | |
| Suzuki | 1986– | 150-300Hk 2/4-t | HC6345-3 | |
| Yamaha | 1986– | 150-350Hk 2/4-t | HC6345-3 |
Anm. (Anmärkningar):
1. HA5472 slaglängd begränsare måste installeras på BF200-BF250



