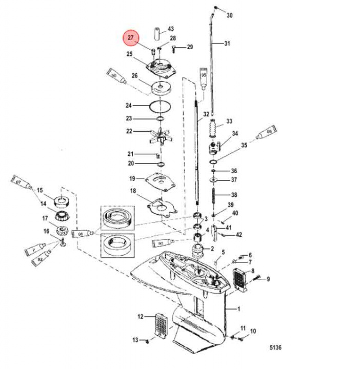
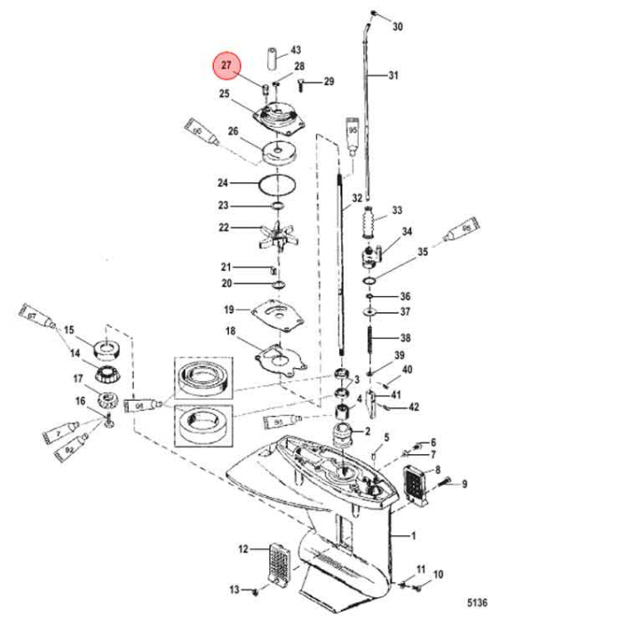
Seal (85090001)
Tänk på att såna här artiklar beställs i omgångar så det kan ta lite längre tid i hanteringen än dom annars max 8 dagarna.
Artnr:
85090001
75 kr
- Produktbeskrivning
-
Seal för Mercury impellerhus, reservdelsnummer 85090001. Se alltid din epc för att säkerställa att det är rätt för just din motor. - Egenskaper
-
- Leveransinformation
-
Lagersaldo: 1Frakt: Frakt 0-3kg


