Reparationssats Vattenpump Mercruiser (879148015)
Artnr:
879148015
4845 kr
- Produktbeskrivning
-
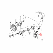
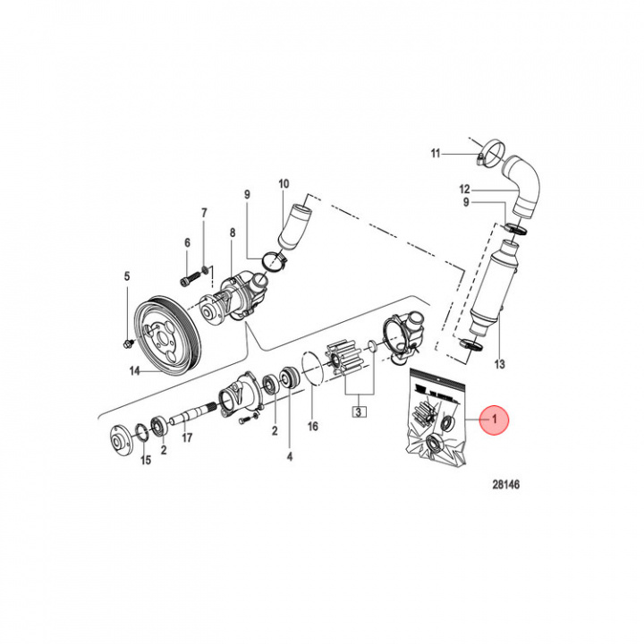
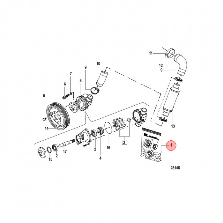
Reparationssats (879148015) till vattenpump på Mercruiser CMD QSD. Titta i din epc för att säkerställa att delen passar just din motor.
Innehåller keramisk tätning, 2 lager och impeller.
Tidigare art: 889255 - Egenskaper
-
- Leveransinformation
-
Lagersaldo: 0Frakt: Frakt 0-3kg


