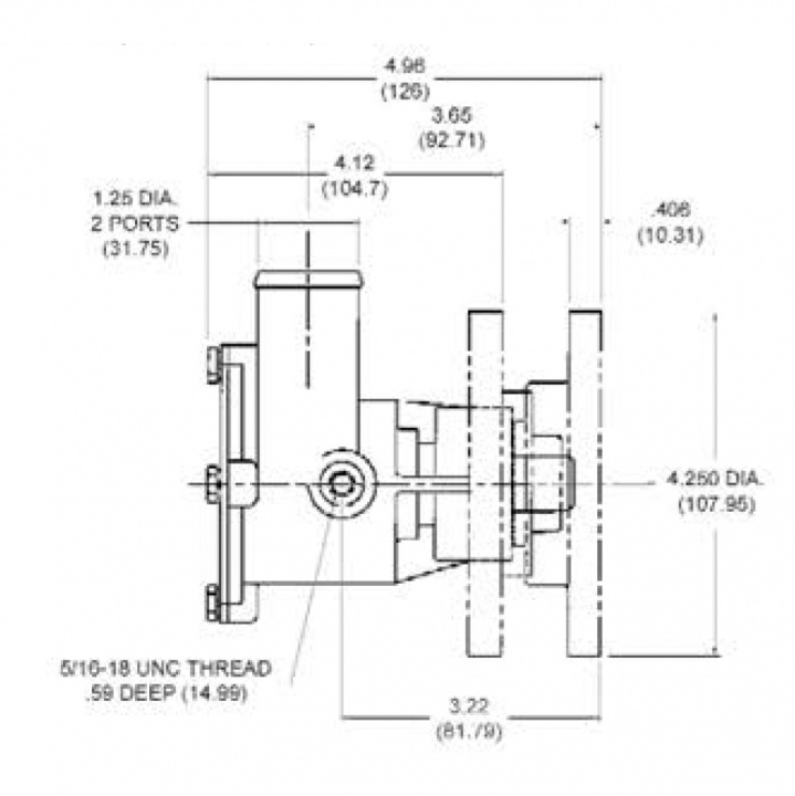
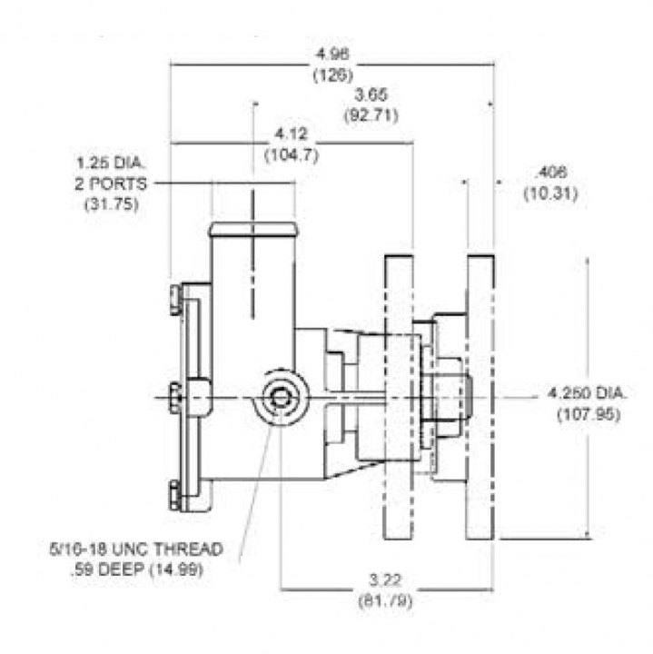
Jabsco självsugande impellerpump för kylvatten i brons.
Pumpstorlek 60 med 1 1/4″ (32mm) slanganslutning.
Utrustad med impeller av neopren.
• 53 l/min vid 1500 v/min
• Sughöjd på upp till 2,4m
• Slanganslutning 1 1/4″ (32mm)
• Highspeed pump till V8 motorer



