Propellerbricka Yamaha
Artnr:
67F459970000
495 kr
- Produktbeskrivning
-
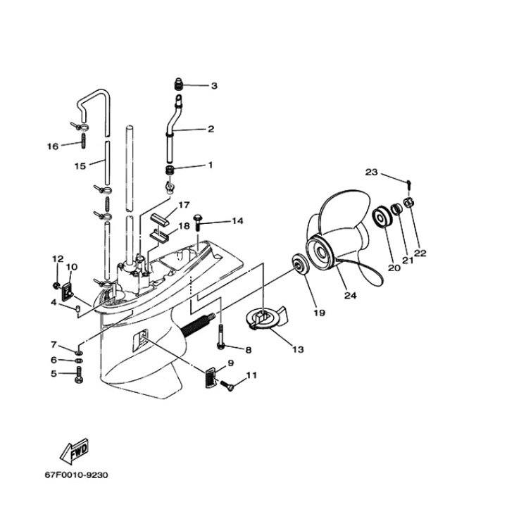
Propellerbricka Yamaha - Propellerbricka Yamaha, passar bland annat F80A,F100A & B se EPC för mer info. Nummer 20 i illustrationsbilden. - Egenskaper
-
- Leveransinformation
-
Lagersaldo: 3Frakt: Frakt 0-3kg


