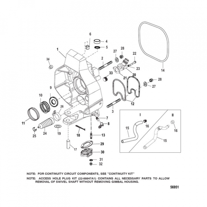
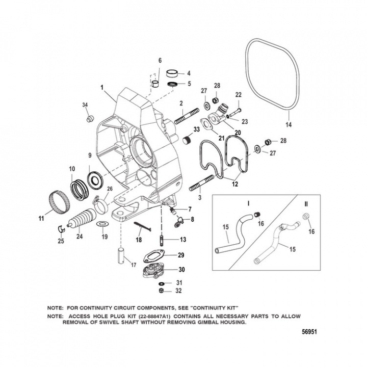
Pluggkit Mercruiser Alpha/Bravo (88847A1)
Artnr:
88847A1
449 kr
- Produktbeskrivning
-
Pluggkit (88847A1) till Mercruiser Alpha/Bravo motorer, till för att byta styrtapp utan att lossa skölden. Titta i din epc för att säkerställa att delen passar just din motor. - Egenskaper
-
- Leveransinformation
-
Lagersaldo: 0Frakt: Frakt 0-3kg


