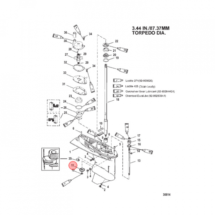
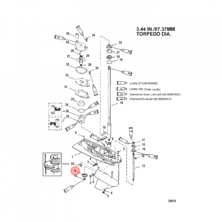
Piniondrev Mercury 35-60 hk (859103T)
Artnr:
859103T
3539 kr
- Produktbeskrivning
-
Piniondrev (859103T) till växelhuset på Mercury 35-60 hk utombordare. Titta i din epc för att säkerställa att delen passar just din motor. - Egenskaper
-
- Leveransinformation
-
Lagersaldo: 0Frakt: Frakt 0-3kg


