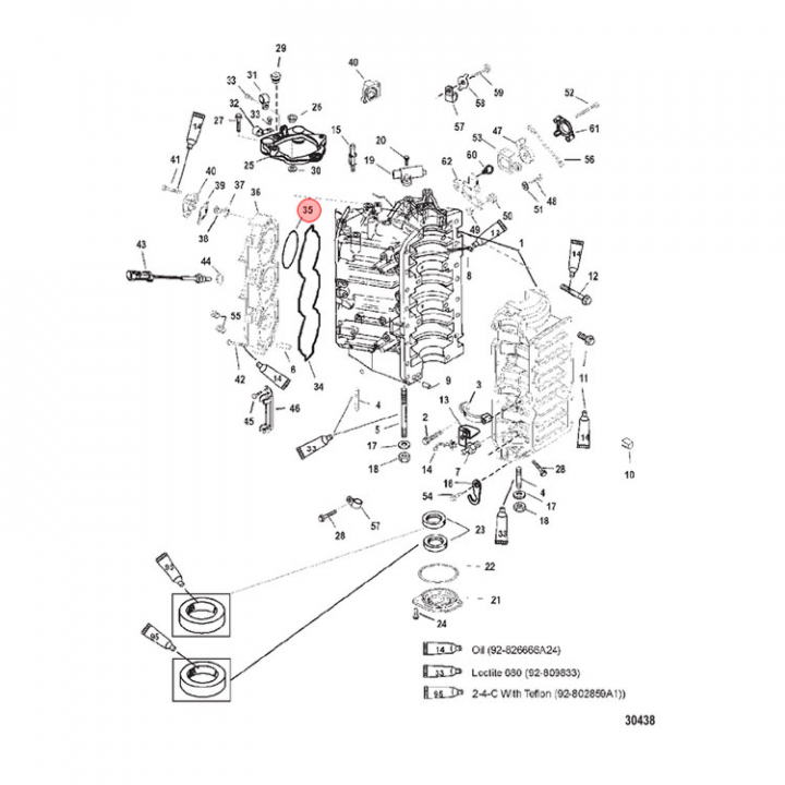
Packning Mercury 200-300 hk (878453)
Artnr:
878453
149 kr
- Produktbeskrivning
-
Packning (878453) till blocket på Mercury 200-300 hk utombordare. Titta i din epc för att säkerställa att delen passar just din motor. - Egenskaper
-
- Leveransinformation
-
Lagersaldo: 0Frakt: Frakt 0-3kg


