Packning Mercury 135-350 hk (880729)
Artnr:
880729
39 kr
- Produktbeskrivning
-
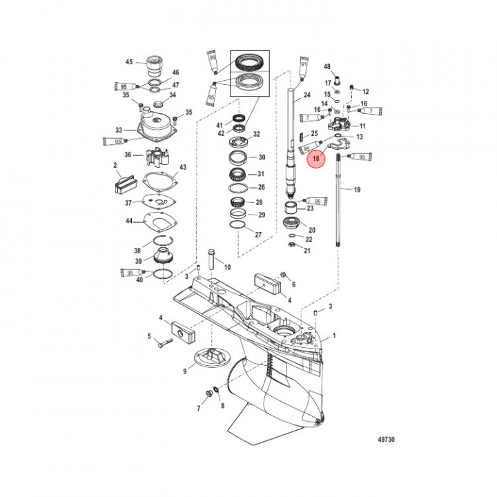
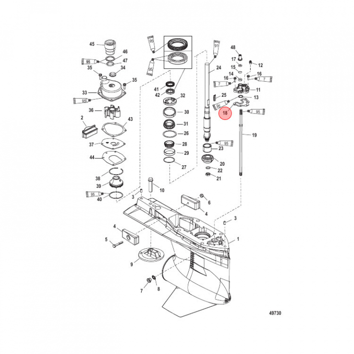
Packning (880729) till växelhuset på Mercury 135-350 hk utombordare. Titta i din epc för att säkerställa att delen passar just din motor. - Egenskaper
-
- Leveransinformation
-
Lagersaldo: 0Frakt: Frakt 0-3kg


