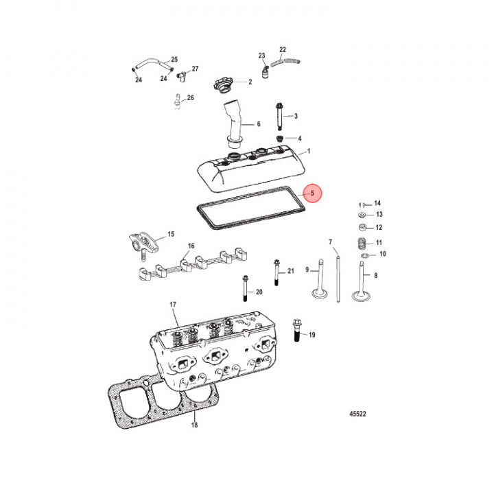
Packning Mercruiser (827154)
Artnr:
827154
715 kr
- Produktbeskrivning
-
Packning (827154) till cylinder head & rocker cover på Mercruiser motorer, bland annat Alpha/Bravo. Titta i din epc för att säkerställa att delen passar just din motor. - Egenskaper
-
- Leveransinformation
-
Lagersaldo: 0Frakt: Frakt 0-3kg


