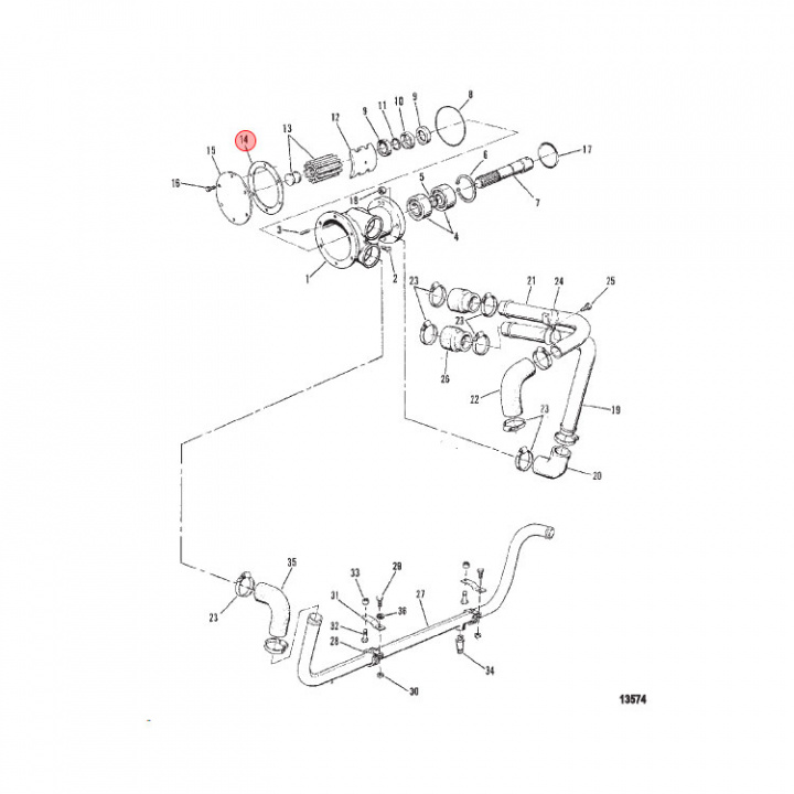
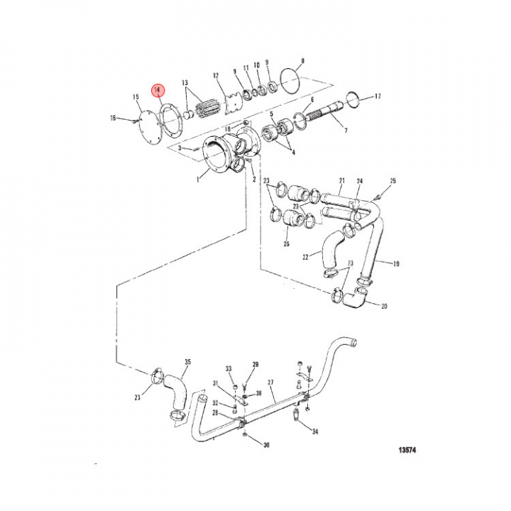
Packning Mercruiser (801332606)
Artnr:
801332606
109 kr
- Produktbeskrivning
-
Packning (801332606) till Mercruiser diesel motor 2.8L L4, 3L L5 och 3.6L L6. Titta i din epc för att säkerställa att delen passar just din motor. - Egenskaper
-
- Leveransinformation
-
Lagersaldo: 0Frakt: Frakt 0-3kg


