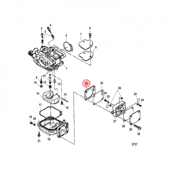
Packning Förgasare Mercury 9.9-50 hk (8555691)
Artnr:
8555691
55 kr
- Produktbeskrivning
-
Packning (8555691) till förgasaren på Mercury 9.9-50 hk utombordare. Titta i din epc för att säkerställa att delen passar just din motor. - Egenskaper
-
- Leveransinformation
-
Lagersaldo: 0Frakt: Frakt 0-3kg


