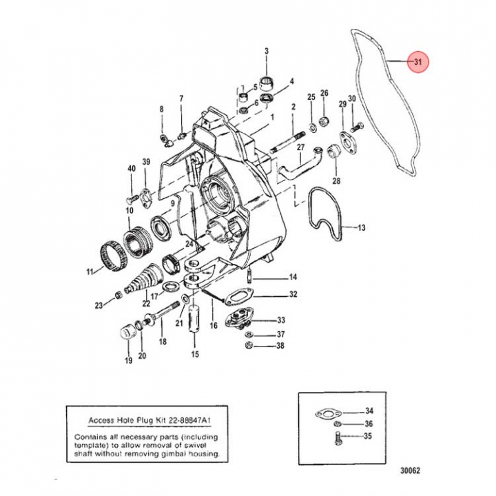
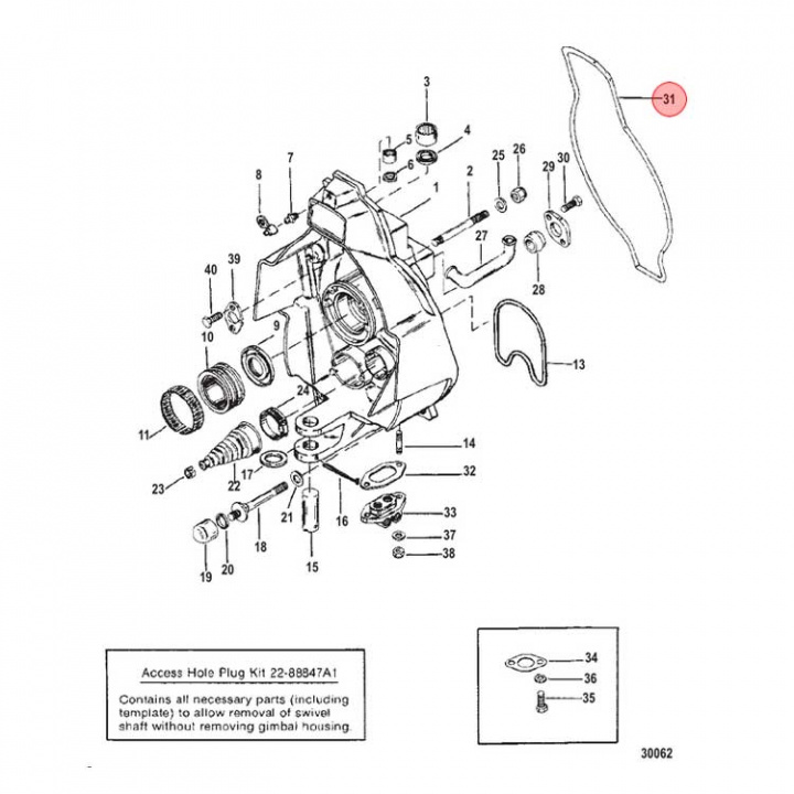
Packning (65533A1)
Artnr:
65533A1
159 kr
- Produktbeskrivning
-
Packning (65533A1), avgastätning till sköld på Mercruiser Alpha One 83-90. Titta i din epc för att säkerställa att delen passar just din motor. - Egenskaper
-
- Leveransinformation
-
Lagersaldo: 0Frakt: Frakt 0-3kg


