Packbox Rigg Mercury 50-300 hk (87735)
Artnr:
87735
395 kr
- Produktbeskrivning
-
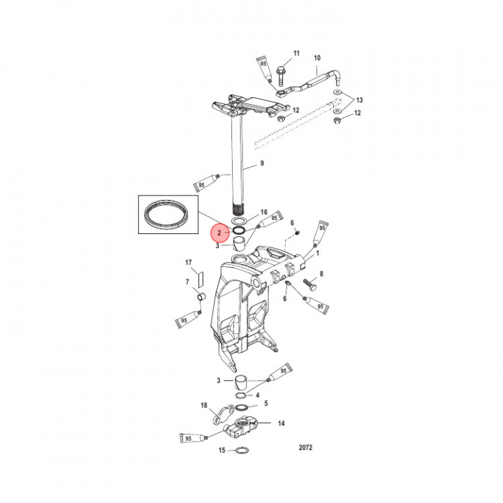
Packbox (87735) till rigg/styrarm på Mercury 50-300 hk utombordare. Titta i din epc för att säkerställa att delen passar just din motor. - Egenskaper
-
- Leveransinformation
-
Lagersaldo: 0Frakt: Frakt 0-3kg


