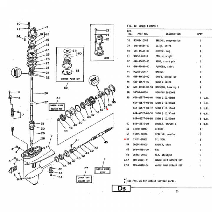
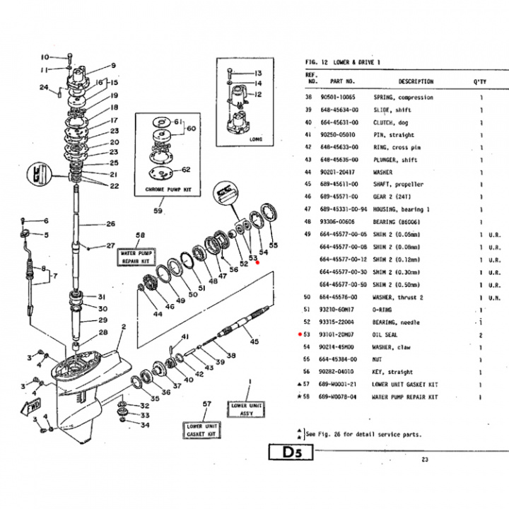
Packbox Propelleraxel (93101-20M07-00)
Artnr:
93101-20M07-00
89 kr
- Produktbeskrivning
-
Packbox till propelleraxel, tänk på att vissa motorer kräver dubbla packboxar vid byte så se efter i din EPC. - Egenskaper
-
- Leveransinformation
-
Lagersaldo: -2Frakt: Frakt 0-3kg


