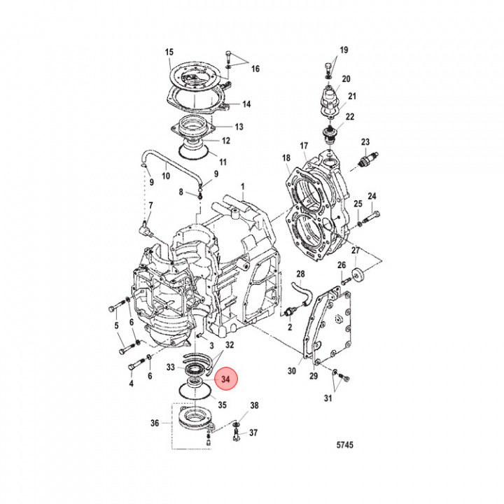
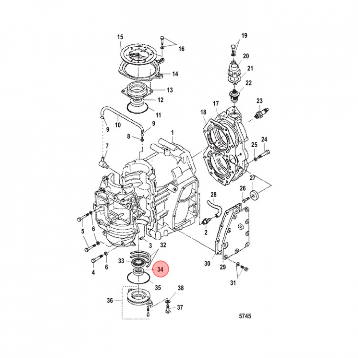
Packbox Mercury 25-30 hk (8537072)
Artnr:
8537072
59 kr
- Produktbeskrivning
-
Packbox Mercury 25-30 hk (8537072). Titta i din epc för att säkerställa att delen passar just din motor. - Egenskaper
-
- Leveransinformation
-
Lagersaldo: 0Frakt: Frakt 0-3kg


