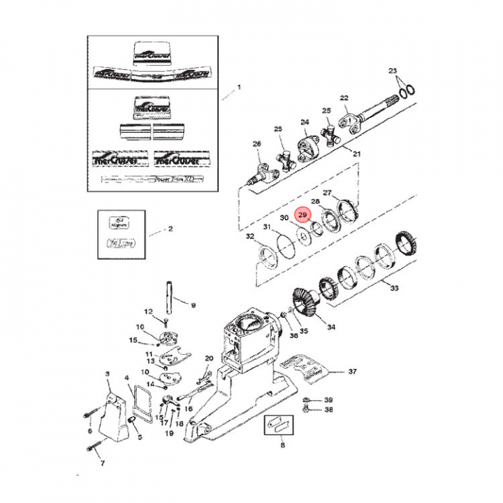
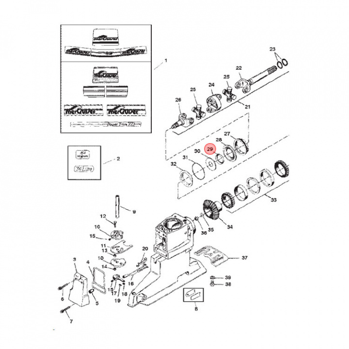
Packbox Mercruiser Bravo (807006)
Artnr:
807006
285 kr
- Produktbeskrivning
-
Packbox (807006) till Mercruiser Bravo motorer, titta i din epc för att säkerställa att delen passar just din motor. - Egenskaper
-
- Leveransinformation
-
Lagersaldo: 0Frakt: Frakt 0-3kg


