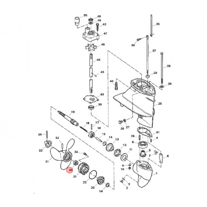
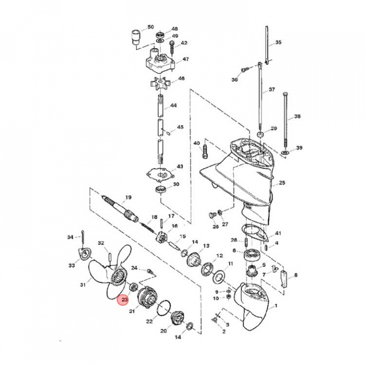
Packbox (66022)
Artnr:
66022
95 kr
- Produktbeskrivning
-
Packbox (66022) till Mercury/Mariner och Force Marin motorer. Titta i din epc för att säkerställa att delen passar just din motor.
Tidigare art: F346118 - Egenskaper
-
- Leveransinformation
-
Lagersaldo: 0Frakt: Frakt 0-3kg



