Packbox (41132)
Artnr:
41132
259 kr
- Produktbeskrivning
-
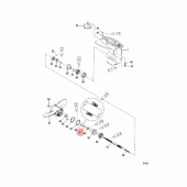
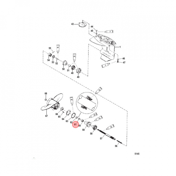
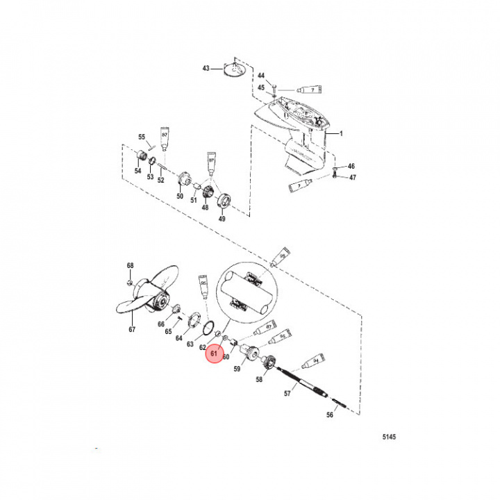
Packbox (41132) till Mercury/Mariner 8-25 hk motorer. Titta i din epc för att säkerställa att delen passar just din motor. - Egenskaper
-
- Leveransinformation
-
Lagersaldo: 0Frakt: Frakt 0-3kg


