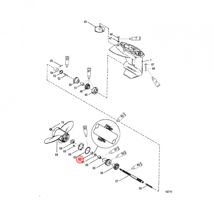
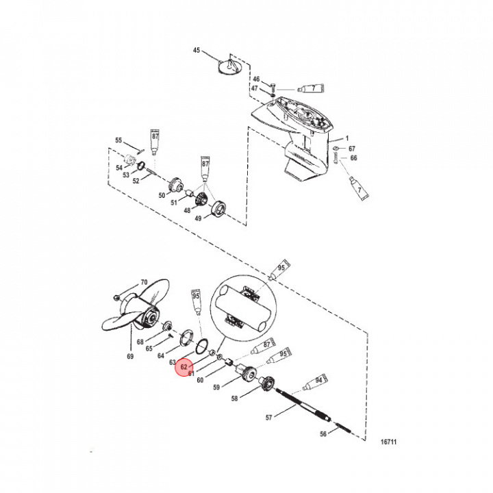
Packbox (41131)
Artnr:
41131
259 kr
- Produktbeskrivning
-
Packbox (41131) till Mercury/Mariner 8-25 hk motorer. Titta i din epc för att säkerställa att delen passar just din motor. - Egenskaper
-
- Leveransinformation
-
Lagersaldo: 0Frakt: Frakt 0-3kg


