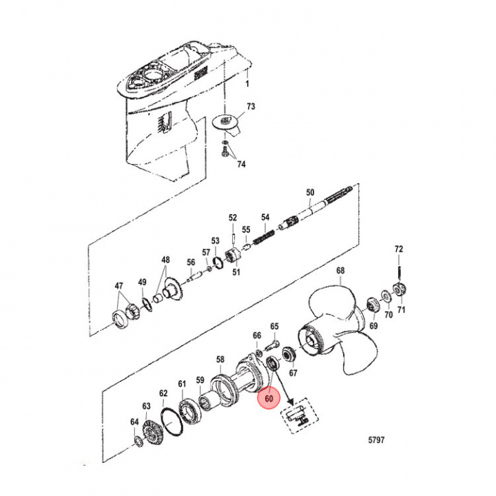
Packbox (161302)
Artnr:
161302
85 kr
- Produktbeskrivning
-
Packbox (161302) propellerlagerhus Mercury 40 - 50 hk, 2-takt Lightning/MH, 3-cyl 697 cc - äldre Tohatsumodell
Samma som Tohatsu art 334-60223-0 - Egenskaper
-
- Leveransinformation
-
Lagersaldo: 0Frakt: Frakt 0-3kg


