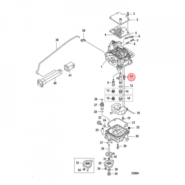
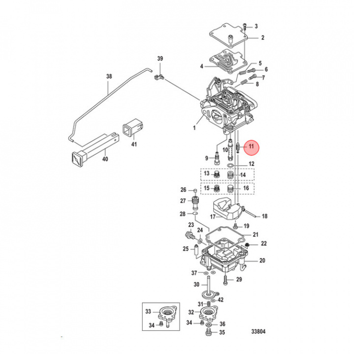
Nålventil Mercury 8-20 hk (809570002)
Artnr:
809570002
195 kr
- Produktbeskrivning
-
Nålventil (809570002) till Mercury 8-20 hk utombordare, titta i din epc för att säkerställa att delen passar just din motor. - Egenskaper
-
- Leveransinformation
-
Lagersaldo: 0Frakt: Frakt 0-3kg


