Nålventil 9.9-50 hk (162545) i gruppen Motor & Tillbehör / Mercury / Mercury Övriga Reservdelar hos Marinsystem (162545)
Nålventil 9.9-50 hk (162545)
Nålventil 9.9-50 hk (162545)

Nålventil 9.9-50 hk (162545)

Artnr: 162545
189 kr
 
Lägg i kundvagnen
Externt Lager | Normalt 2-8 arbetsdagar
  • Produktbeskrivning
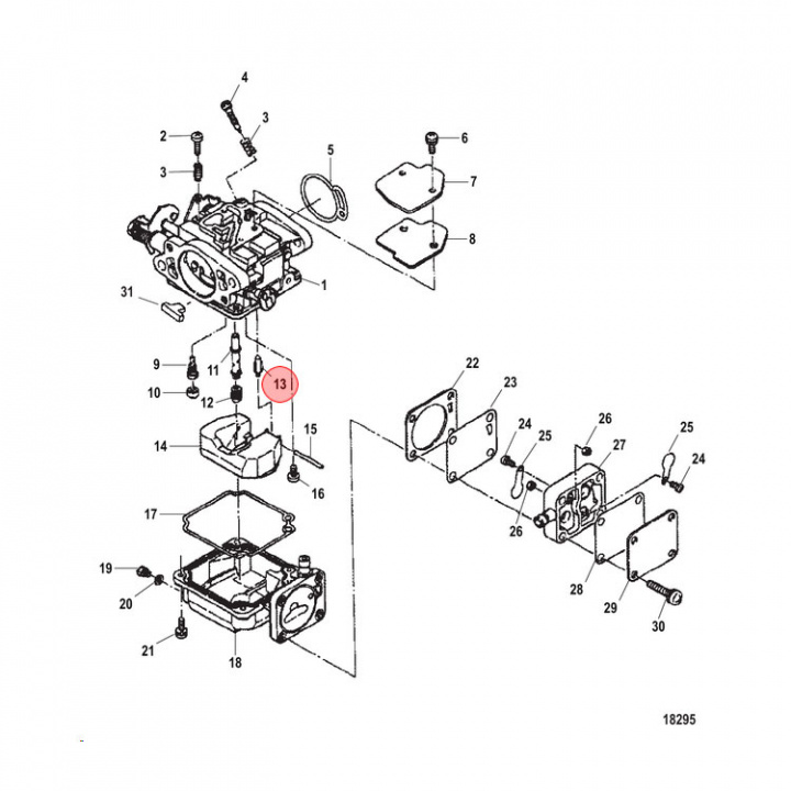
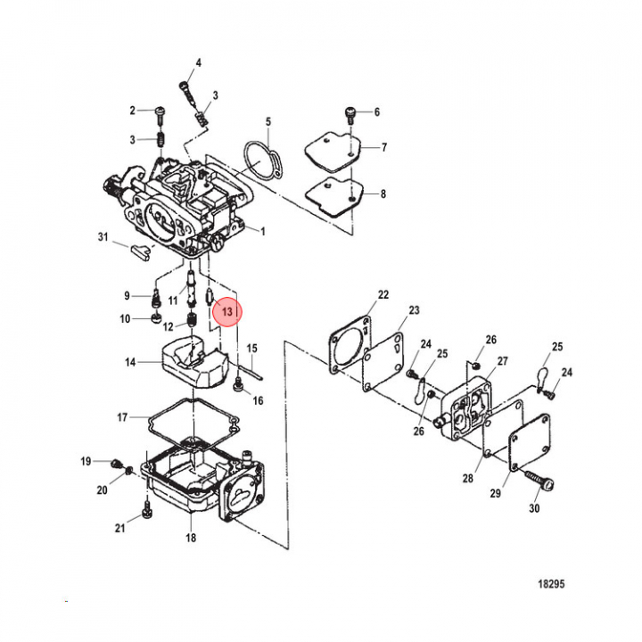
  • Nålventil 9.9-50 hk (162545) till förgasare till Mercury/Mariner
  • Egenskaper
  • Leveransinformation
  • Lagersaldo: -4
    Frakt: Frakt 0-3kg

Se fler varor

Andra köpte även

Storage Bränslekonservering
REA
fr. 95 kr fr. 105 kr
Kupéuttag KVU 303
169 kr
Köp
Logga in