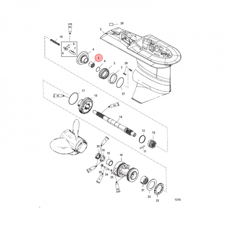
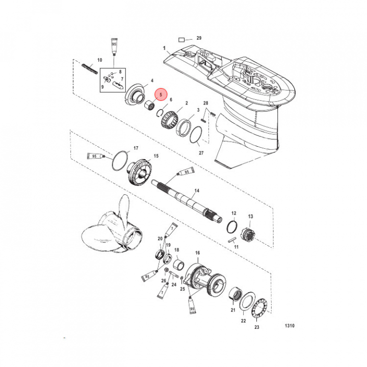
Nållager (30895T)
Artnr:
30895T
209 kr
- Produktbeskrivning
-
Nållager (30895T) till Mercury 30-250 hk, Mariner 77-00 30-225 hk och Mercruiser Alpha One Gen II - Egenskaper
-
- Leveransinformation
-
Lagersaldo: 0Frakt: Frakt 0-3kg


